電容式電磁流量計具有電極與被測流體不接觸的特點,因而從根本上解決了電極表面附著、腐蝕、摩擦、液體滲漏等問題。而且對傳統接觸式電磁流量計難以測量的低電導率液體如酒精等也能進行測量,拓展了電磁流量計的適用范圍,在造紙、石油、化工、冶煉等行業有著良好的應用前景。
由于電容式電磁流量計采用了電容耦合的方式來檢測流量信號,耦合出來的感應信號微弱,并夾雜有一定的液體流動噪聲,同時易受外界干擾,信噪比較低。目前感應信號的檢出方式主要有兩種:是直接檢測感應信號電壓;二是通過“虛地”技術,檢測感應信號的電流。電流檢測方式流量測量受耦合電容值變化的影響較大,一般較少采用。常用的電壓檢測方式由于傳感器的耦合電容值一般為幾十皮法,在幾百赫茲的勵磁頻率下,信號源內阻很高為檢出信號,轉換器電路需要有很高的輸人阻抗,般在1012Ω以上,如此高的輸人阻抗電路很容易引入干擾,使信噪比進一步惡化。因而除了在傳感器和電路設計中盡量屏蔽干擾外,后續的放大檢出電路需要有很高的信噪比。本文在信號處理中引入了互相關檢測方法,采用了適合電磁流量計信號特點的旋轉電容濾波方式,以簡單的硬件電路實現了流量信號的檢出,研制的樣機測試結果表明該方法是有效的。
1.互相關檢測方法
互相關檢測是應用信號周期性和噪聲隨機性的特點,通過互相關運算,去除噪聲的一種弱信號檢測方法。如果發送信號的頻率已知,就可在接收端發出相同頻率的“干凈的”本地參考信號,與混有噪聲的輸人信號進行相關,能顯著提高電路的抗干擾性。設輸入信號為:
f1(t)=S1(t)+n(t) (1)
參考信號為:
f2(t)=S2(t) (2)
則互相關函數

式中Rs1s2(τ)是S1(t)與S2(t)的互相關函數,當S1(t)與S2(t)是兩個具有相同基波頻率的周期函數時,合理選擇延遲時間r可使積分值達到zui大;Rns2(τ)是n(t)與S2(t)的互相關函數,一般來說,參考信號S(t)與噪聲n(t)之間沒有相關性,并且S2(t)是一個交流信號,平均值為零,所以積分值處處為零。
因此,對于一個已知頻率的信號,選擇一個合適的參考信號與之進行相關運算,就可以將該微弱的信號檢測出來,而將其他頻率的干擾信號進行屏蔽。同時互相關檢測的抗干擾能力受積分時間限制,積分時間越長,抗干擾能力越強,需要的測量時間也就越長。
對于高頻勵磁的電容式電磁流量計來說,被測流體的流量變化是緩慢的,因此有足夠的時間來滿足相關運算對時間的要求。并且電磁流量計的信號是由與勵磁電流頻率相同的交變磁場產生的,具有與勵磁電流相同的頻率,釆用矩形波勵磁,參考信號可以從勵磁控制信號中獲得。一般來說,流體中的各種噪聲及電路中引入的干擾與參考信號不相關,因此,可以采用互相關檢測方法來檢測強噪聲背景中的流量信號。圖1為電磁流量計信號互相關檢測框圖。
2.旋轉電容濾波
2.1旋轉電容濾波器
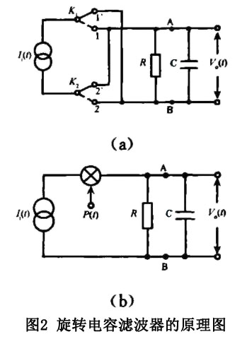
旋轉電容濾波器基于相關檢測原理,是一個抗干擾能力很強的電路,有很高的信噪比。其電路原理如圖2(a)所示,電路由雙刀雙擲同步開關K1、K2和一個RC積分電路組成。K1、K2分別由頻率為f。的互為反相的方波控制,使RC電路完成周期性地交替充電。其等效原理圖如圖2(b)所示,輸入信號I()與振幅為士1,頻率為f。的開關信號P(t)相乘,經過RC積分得到輸出電壓V。(t)。當被測信號與參考信號同頻同相位時,總是從一個方向向電容進行充電。而噪聲由于頻率和相位不可能全與開關同步,因此噪聲在電容上的充、放電將互相抵消,從而得到抑制。
從電路分析上看,旋轉電容濾波器的頻率傳輸特性如圖3所示,對于與參考信號頻率相同的輸入信號,其輸出zui大;對奇次諧波,輸出響應同基波相比要小(2n+1)倍;而其他頻率的信號,偏離基頻或奇次諧頻越大,其輸出幅值衰減就越大。因此,旋轉電容濾波器相當于方波匹配濾波器。時間常數RC越大,帶寬越窄,抑制噪聲的能力也就越強,就越接近理想方波匹配濾波器。只要使參考信號與待測信號相匹配,即基頻是同頻同相位的,則輸出信號與匹配信號的振幅成正比,從而實現對待測信號振幅信息的提取。
2.2改進的濾波方式
在電容式電磁流量計中,感應信號在高頻矩形波磁場勵磁下產生,是具有相同頻率的矩形波信號,幅值大小對應一定的流速。從勵磁控制信號中獲取的參考信號可以和流量信號相匹配。同時當激勵磁場發生方向轉變時,會產生較大的微分于擾,有時是流量信號的幾百甚至幾千倍,微分干擾也是影響零點穩定的主要因素之ー。

若直接采用該濾波器的濾波方式,會將較強的微分干擾引入,一方面直接影響信噪比,另ー方面也會帶來嚴重的零點漂移問題。根據微分干擾信號在磁場方向轉換瞬間達到zui大,隨著磁場穩定迅速減小的特點,選擇在每半個周期的zui后部分磁場zui穩定、微分干擾達到zui小時的信號進行相關濾波,如圖4所示,圖4(a)是含有微分干擾的信號波形示意圖,圖4(b)是與之進行互相關運算的開關參考信號。
為實現如圖4(b)所示的參考信號,設計的旋轉電容濾波基本電路如圖5所示,S1a、S1b和S2a、S2b2是兩組同步開關,RC積分電路中的電阻R移到同步開關外面。這樣當S1a、S1b、S2a、S2b都斷開時,輸人信號不對電容充電,相當于信號乘以0后在電容上積分,此時電容只進行電位保持。在信號正半周,當S1a和S1b閉合時,信號對電容由上向下充電,相當于信號乘以+1后在電容上積分;在負半周,當S2a和S2b閉合時信號對電容充電方向仍由上向下,相當于信號乘以1后在電容上積分。濾波電路的積分時間仍由RC決定。經過一段時間積分,當測量時間t>=RC時,電容兩端的電壓將反映出流速的大小。在實際電路設計中,積分時間常數RC取值為0.15s,在保證一定的響應速度下,有較強的抗干擾能力。
3.樣機設計
基于以上分析,結合有關文獻,設計并試制了臺原理樣機,整體結構框圖如圖6所示,主要包括勵磁電略、傳感器、信號處理模塊、單片機和CPLD等模塊。CPLD在單片機控制下為各模塊提供同步控制時序。勵磁電路在 CPLD控制下產生200Hz的矩形波激勵磁場,當流體切割磁場時,在傳感器中產生感應電勢。信號處理模塊取出感應信號,進行互相關處理并放大后,將流量信號送入單片機。
設計的傳感器結構如圖7所示,包括測量管、勵磁線圈、檢測電極、屏蔽電極和屏蔽罩。檢測電極緊貼于管壁外,被屏蔽電極罩住,并以等電位驅動技術減小雜散電容的影響。同時為了減小電極上的渦流影響,將檢測電極做成了梳狀。*外層屏蔽罩接地,有利于屏蔽外界干擾??紤]到檢測電極上感應信號比較微弱,將前置放大器置于傳感器內盡可能貼近電極的地方,以減小信號在傳輸中的衰減及干擾。為避免鐵磁材料的磁滯現象,采用了空心線圈勵磁。
信號處理模塊主要電路如圖8所示,高輸人阻抗的前置放大器從高內阻的信號源中檢出電壓信號,完成阻抗轉換。高共模抑制比的儀表放大器對信號進行差動放大,抑制共模干擾。然后經過旋轉電容濾波器濾波,實現與參考信號的互相關處理,濾波電路相關運算所需的參考信號由CPLD產生,并與勵磁電流保持嚴格同步。zui后由整流采樣電路對旋轉電容濾波器電容上的電壓信號進行整流采樣,經A/D轉換后送入單片機。
勵磁電路如圖9所示,恒流源提供的電流通過兩組同步開關的交替閉合,在線圈中形成矩形波勵磁電流。為使電流方向在200Hz下快速完成轉換,在線圈中串聯了兩個電阻,減小線圈勵磁時間常數。設計的時間常數τ為0.25ms,保證了磁場快速穩定。
4.實驗測試
利用試制完成的原理樣機,在試驗裝置上以水為測量介質,使用某型號普通接觸式電磁流量計作為參考表進行對比試驗,該表精度等級為0.5級,測量范圍為1.3~16m³/h,實驗管徑為40mm,對應流速范圍為0.3~3.5m/s,實驗裝置如圖10所示。圖11是實驗樣機照片。
圖12是在流速為1m/s下,實際電路中從示波器觀察到的旋轉電容濾波器輸出端的信號。從未經旋轉濾波的信號部分中,可以看出雖然前面采取了許多減小干擾的措施,但信號中仍然包含有較強的噪聲,信噪比約為1:10,難以進行直接測量。而經濾波后的部分,得到了與流速相關的穩定電壓信號,再對這部分信號進行整流采樣,從而實現流量信號的可靠檢出。
樣機與標準表測得的實驗數據如表1所示,大部分測量點的誤差在士1.0%以內,個別流量較小的測量點誤差超過1%。
5.結束語
電容式電磁流量計雖然在原理上早已經解決,但在實際設計制作過程中,由于信號微弱、易受干擾、信噪比低等特點,使其對傳感器和轉換器有很高的要求。本文研制的樣機在傳感器設計制作上采取了多種抑制干擾的措施,為滿足轉換器高信噪比的要求,將互相關檢測方法應用到信號處理中,設計了一種改進的旋轉電容濾波方式實現流量信號的互相關處理,在低信噪比環境下,較準確地實現了流量測量,并且零點較穩定。
上一條:
解決電磁流量計故障的幾種排除方法
下一條:
在造紙廠流量測量中電磁流量計的應用